
地 址:上海市金山區興塔工業區
咨詢電話:021-57362601
圖文傳真:021-33250343
電子郵箱:hanyuev@126.com
網 址:http://mls998.com
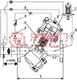
YQ980011型過濾活塞式流量控制閥是一種主要由主閥、限流導閥、針閥、球閥、過濾器、畢托管和開度指示器等組成,穩定閥出口流量于設定值的自控閥門,這種穩定不受閥前供水系統流量及壓力變化的影響,然而當閥進口流量小于設定值時,主閥全開,不會增加流量,由畢托管傳遞壓差信號給極敏感的限流導閥,限流導閥和針閥執行兩路控制,來控制主閥活塞上腔的壓力,通過限流導閥調節螺栓的調節,使閥后流量達到設定值,活塞下腔有節流孔與下游相通,可緩沖閥門的關閉,主閥兩端壓力差是閥門啟閉的驅動能源。該閥限流導閥中有極靈敏的彈簧對流量進行調節,操作簡單而且準確,因此,本產品特別適用于空調、給排水、消防和各類工礦企業等供水管網中需要過濾而且對流量實現控制的場所和工況。
序號 | 部件名稱 | 材料名稱 | ||||
1 | 閥 體 | QT450 | WCB | CF8 | CF8M | CF3M |
2 | 閥 蓋 | QT450 | WCB | CF8 | CF8M | CF3M |
3 | 閥 座 | ZCuAl10Fe3 | ZCuAl10Fe3 | CF8 | CF8M | CF3M |
4 | 閥 瓣 | Q235B+NBR | Q235B+NBR | 304+NBR | 316+NBR | 316L+NBR |
5 | 閥 桿 | 2Cr13 | 2Cr13 | 06Cr19Ni10 | 06Cr17Ni12Mo2 | 022Cr17Ni12Mo2 |
6 | 密 封 圈 | NBR/EPDM | NBR/EPDM | NBR/EPDM | NBR/EPDM | NBR/EPDM |
7 | 活 塞 | 06Cr19Ni10 | 06Cr19Ni10 | 06Cr19Ni10 | 06Cr17Ni12Mo2 | 022Cr17Ni12Mo2 |
8 | 彈 簧 | 06Cr19Ni10 | 06Cr19Ni10 | 06Cr19Ni10 | 06Cr17Ni12Mo2 | 022Cr17Ni12Mo2 |
9 | 過 濾 器 | ZCuAl10Fe3 | ZCuAl10Fe3 | CF8 | CF8M | CF3M |
10 | 球 閥 | ZCuAl10Fe3 | ZCuAl10Fe3 | CF8 | CF8M | CF3M |
11 | 針 閥 | ZCuAl10Fe3 | ZCuAl10Fe3 | CF8 | CF8M | CF3M |
12 | 限流導閥 | ZCuAl10Fe3 | ZCuAl10Fe3 | CF8 | CF8M | CF3M |
公稱壓力PN(MPa) | 1.0 | 1.6 | 2.0 | 2.5 | 4.0 |
殼體強度試驗壓力(MPa) | 1.5 | 2.4 | 3.0 | 3.75 | 6.0 |
高壓液密封試驗壓力(MPa) | 1.1 | 1.76 | 2.2 | 2.75 | 4.4 |
低壓氣密封試驗壓力(MPa) | 0.6 | 0.6 | 0.6 | 0.6 | 0.6 |
流量調節范圍 | 0.5m/s ~ 5m/s | ||||
連接法蘭 | GB/T 17241.6-2008、JB/T 79-2015、GB/T 9113-2010、ASME B16.5-2017等 | ||||
壓力試驗 | GB/T 13927-2008、API 598-2016 | ||||
適用介質 | 清水或物理化學性質類似于水的介質 | ||||
工作溫度 | 0℃ ~ 80℃ | ||||
公稱壓力 PN | 公稱通徑 DN | 尺寸mm | |||||
L | D | K | R | C-f | n-?d | ||
16 | 50 | 250 | 160 | 125 | 100 | 16-3 | 4-18 |
65 | 280 | 180 | 145 | 120 | 18-3 | 4-18 | |
80 | 335 | 195 | 160 | 135 | 20-3 | 8-18 | |
100 | 380 | 215 | 180 | 155 | 20-3 | 8-18 | |
125 | 425 | 245 | 210 | 185 | 22-3 | 8-18 | |
150 | 480 | 280 | 240 | 210 | 24-3 | 8-23 | |
200 | 570 | 335 | 295 | 265 | 26-3 | 12-23 | |
250 | 650 | 405 | 355 | 320 | 30-3 | 12-25 | |
300 | 740 | 460 | 410 | 375 | 30-4 | 12-25 | |
350 | 810 | 520 | 470 | 435 | 34-4 | 16-25 | |
400 | 860 | 580 | 525 | 485 | 36-4 | 16-30 | |
表中只列出了部分JB/T 79-2015標準PN16法蘭連接外形尺寸。如需其他規格尺寸,請咨詢汗越閥門技術部! | |||||||

本產品流量范圍可在0.5m/s ~ 5m/s內進行調節。如果你需訂購我廠水力控制閥產品,咨詢時煩請說明公稱尺寸、壓力等級、主閥和元件材料要求等。
網站首頁