
地 址:上海市金山區興塔工業區
咨詢電話:021-57362601
圖文傳真:021-33250343
電子郵箱:hanyuev@126.com
網 址:http://mls998.com
在塔式供水系統或高壓供水系統中,沿供水管路線上各用戶的用水壓力基本相同,但由于沿管線各用戶處的壓力差別很大,這樣在高壓力區域用戶取水管道上要安裝減壓閥,以達到使用壓力要求。由于管路及壓力變化復雜,所以對通過減壓后的壓力穩定性有一定要求,這就必須對減壓閥的結構、原理、性能進行分析研究,以設計出高性能的減壓閥。
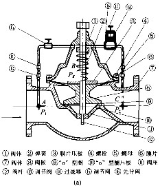
一、先導式減壓穩壓閥結構
如圖1所示,先導式減壓穩壓閥由兩大部分組成,即執行部分和控制部分。執行部分由閥體、閥板、閥桿組成,也稱為主閥件;控制部分由調節球閥、針閥、彈簧、驅動部件(如膜片、活塞等 )、先導閥及管路組成,這一部分也可稱為外控組件。圖1中(a)、(b)兩圖均為導閥與主閥分離式結構,(a)圖所示結構其驅動部件為膜片,而(b)圖所示結構其驅動部件為活塞。

圖1先導式減壓穩壓閥結構及工作原理圖
二、先導式減壓穩壓閥工作原理
無論主閥與導閥是分開式,還是整體式,其導閥均為控制調節部件。通過調節導閥彈簧的加載力可以改變主閥出口端壓力,出口端的壓力是根據管道系統要求來確定的,該力一旦確定即可通過導閥的反饋作用保持相對穩定。減壓穩壓閥在主閥板開啟前,主閥板和導閥板均處于關閉狀態。當閥開啟時,在主閥板兩端壓力差作用下主閥板打開,流體自閥出口流入下游管路系統中,同時外控組件中流體作相應流動,經過一段時間后,整個閥系統達到一個穩定流動狀態。若需要改變閥出壓力P2,即可通過調節導閥彈簧來實現,當擰緊調節螺釘(即加大彈簧壓力)時,由于導閥的節流作用,流經右邊管件流量減少,將使B腔內壓力PB升高,PB的升高將破壞原來的主閥板相對穩定位置,使主閥板向小開度方向移動,主閥板產生節流作用,結果使主閥出口P2壓力降低,通過不斷調節導閥螺釘直到P2達到要求值為止時,閥系統到達一個新的相對穩定狀態,這即是減壓作用。若保持導閥螺釘固定,當管路系統中壓力發生變化,如P2降低時,B腔與C腔壓力差增大,將使通過導閥的流體流速加快,結果使B腔產生泄壓而降低PB。此時主閥板將向開大方向運動,使通過主閥板間的壓力損失降低,結果使閥出口壓力得到補償,即P2回升。這一過程直到P2到達原來的值為止,此即為穩壓作用。這樣,通過導閥、主閥各閥板節流狀態的變化,可使閥出口壓力達到減壓穩定的效果。
網站首頁